臺式掃描電鏡與傳統的大型掃描電子顯微鏡相比結構及工作原理的區別
日期:2022-04-26 19:58:43 瀏覽次數:699
掃描電鏡的結構及工作原理, 臺式掃描電鏡與傳統的大型掃描電子顯微鏡相比,臺式掃描電子顯微鏡具有體積小、操作簡單、價格低廉、抽真空速度快等優點。臺式掃描電子顯微鏡的分辨率可以滿足大多數材料的顯微觀察。臺式掃描電鏡填補了光學顯微鏡與傳統大型掃描電鏡之間的分辨率的空白,可廣泛應用于材料科學、納米粒子、生物醫學、食品醫藥、紡織纖維、地質科學等諸多領域。接下來澤攸小編將主要介紹一下掃描電鏡的結構及工作原理。
掃描電子顯微鏡是檢測樣品表面形貌的大型儀器。當具有一定能量的入射電子束轟擊樣品表面時,電子與元素核和外層電子發生一次或多次彈性和非彈性碰撞。一些電子被樣品表面反射,而其余電子則穿透樣品,逐漸失去動能,在Z后停止運動,被樣品吸收。在這個過程中,99%以上的入射電子能量轉化為樣品熱能,剩余約1%的入射電子能量激發樣品的各種信號。如圖1所示,這些信號主要包括二次電子、背散射電子、吸收電子、透射電子、俄歇電子、電子電動勢、陰尤發光、X射線等。掃描電子顯微鏡設備使用這些信號來獲取信息來分析樣品。
圖1入射電子束轟擊樣品產生的信息示意圖
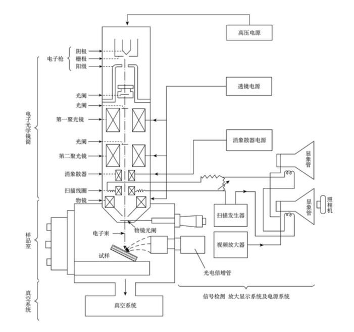
從結構上看,如圖2所示,掃描電子顯微鏡主要由七大系統組成,即電子光學系統、檢測、信號處理、顯示系統、圖像記錄系統、樣品室、真空系統、冷卻循環供水系統、供電系統。
圖2掃描電子顯微鏡結構圖
從圖3中可以看出,燈絲發射的熱電子在2-30KV的電壓下加速,經兩個聚光鏡和一個物鏡聚焦后,形成具有一定能量、強度和強度的入射電子束。光斑直徑。在線圈產生的磁場作用下,入射電子束按一定的時間和空間順序按光柵圖案進行掃描。由于入射電子與樣品的相互作用,從樣品激發的二次電子被收集器收集,收集器可以收集向各個方向發射的二次電子。這些二次電子被加速射到閃爍體上,使二次電子信息轉化為光信號,然后通過光管進入光電倍增管,使光信號轉化為電信號。這個電信號經過視頻放大器放大后輸入到顯像管的柵尤來調制熒光屏的亮度,熒光屏上就會出現與樣品對應的相同圖像。當入射電子束在樣品表面掃描時,二次電子發射量隨樣品表面的起伏(形貌)而變化。
因此,視頻放大器放大的次級電子信號是交流信號。該交流信號用于調制顯像管柵尤的電力。結果在顯像管熒光屏上呈現出不同明暗的畫面,反映了樣品表面起伏度(形貌)的二次電子圖像。需要特別指出的是,入射電子束在樣品表面的掃描與在熒光屏上的掃描要同步,即要使用同一個掃描發生器來控制,使任何物點在樣品上可以保證。顯像管熒光屏上的電子束正好對應點A,即物點A和像點A在時間和空間上一一對應。圖像點A通常稱為圖像單元。顯然,一幅圖像是由許多圖像單元組成的。
掃描電子顯微鏡除了檢測二次電子圖像外,還可以檢測背散射電子、透射電子、特征X射線、陰尤發光等信號圖像。成像原理與二次電子圖像相同。
掃描電鏡觀察前,應對樣品進行相應處理。掃描電鏡樣品制備的主要要求是:盡可能保留樣品的表面結構,不變形和污染,樣品干燥,具有良好的導電性。
圖3掃描電子顯微鏡成像原理圖

ZEM臺式掃描電鏡
文章來源:麥迪森Madison
聯系我們
全國服務熱線
4001-123-022
公司:微儀光電臺式掃描電子顯微鏡銷售部
地址:天津市東麗區華明**產業區華興路15號A座
4001-123-022
津公網安備12011002023086號
首頁
產品
案例
聯系